< Page:Popular Science Monthly Volume 63.djvu
This page has been proofread, but needs to be validated.

554

POPULAR SCIENCE MONTHLY.

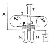
valuable series of experiments on this subject. He found that if a magnetized steel needle or a very small bundle of extremely thin iron wires is magnetized and placed in the interior of a small coil, the ends of which are connected to two long collecting wires, then an electric wave started from a Hertz oscillator at a distance causes an immediate demagnetization of the iron. This demagnetization he detected by means of the movement of the needle of a magnetometer placed near one end of the iron wire. Although Rutherford's wave detector has been much used in scientific research, it was not, in the form in which he used it, a telegraphic instrument, and could not record alphabetic signals. Not long ago Mr. Marconi invented, however, a telegraphic instrument based upon his discovery that the magnetic hysteresis of iron can be annulled by electric oscillations. In one form, Mr. Marconi's magnetic receiver is constructed as follows[1] (see Fig. 18): An endless band of thin iron wire composed of several iron wires Fig. 18. Marconi Magnetic Receiver. W2 W2, wheels; I, iron wire band P1 primary coil; S1 secondary coil; T, telephone; A, aerial; E, earthplate. about No. 36 gauge, arranged in parallel, is made to move slowly round on two pulleys, like the driving belt of a machine. In one part of its path, the wire passes through a glass tube, on which are wound two coils of wire, one a rather short, thick coil, and the other a very fine, long one. The fine, long coil is connected with a telephone, and the shorter coil is connected at one end to the earth and the other to the aerial. Two permanent horseshoe magnets are placed as shown in Fig. 18, with their similar poles together, and, as the iron band passes through their field, a certain length of it is magnetized, and owing to the hysteresis of the material, it retains this magnetism for a short time after it has passed out of the center of the field. If then an electric oscillation, coming down from the aerial, is passed through the shorter coil, it changes the position of the magnetized portion of the iron and, so to speak, brings the magnetized portion of iron back into the position it would have occupied if the iron had had no hysteresis. This action, by varying the magnetic flux through the secondary coil, creates in it an electromotive force which causes a sound to be heard in the telephone connected to it. If at a distant place a single wave or train of waves is started and received by the aerial, this will express itself by making an audible tick in the telephone, and if several groups of closely ad-


  1. See Proc. Roy. Soc. Lond., June 12, 1902. 'Note on a Magnetic Detector for Electric Waves which can be employed as a Receiver for Space Telegraphy,' by G. Marconi.
This article is issued from Wikisource. The text is licensed under Creative Commons - Attribution - Sharealike. Additional terms may apply for the media files.