Thévenin's theorem

English

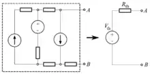
By Thévenin's theorem, the circuit between A and B can be represented as a single resistor and voltage source.

Etymology

Derived in 1883 by French electrical engineer Léon Charles Thévenin; however, it had been independently derived in 1853 by German physicist Hermann von Helmholtz.

Proper noun

Thévenin's theorem

  1. (electronics) A theorem which states that any electric circuit between two terminals containing only resistors, voltage sources, and current sources can be equivalently replaced with a single voltage source and resistor.

See also

This article is issued from Wiktionary. The text is licensed under Creative Commons - Attribution - Sharealike. Additional terms may apply for the media files.