Any linear, time invariant network of impedances can be reduced to one equivalent impedance. In particular, any network of sources and resistors can be reduced to one ideal source and one resistor, in either the Thévenin or Norton configurations. In this way, a complicated network attached to a load resistor can be reduced to a single voltage divider (Thévenin) or current divider (Norton).

Thévenin and Norton equivalents let you replace a voltage source in series with a resistor by a current source in parallel with a resistor, or vice versa. This is called a source transformation.
The point to be noted is that the block that is replaced with such an equivalent should be linear and time invariant, i.e. a linear change in the electrical source in that block produces a linear change in the equivalent source, and the behavior can be replicated if the initial conditions are replicated. The above shown transformation figures are true only if the circuit contains at least one independent voltage or current source. If the circuit comprises only dependent sources, then its Thévenin equivalent consists of RTh alone.
Thévenin's theorem
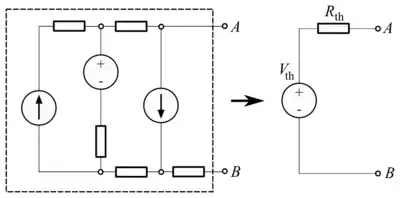
Thévenin's theorem states that every network can be reduced to voltage VTh (Thevenin's voltage) in series with resistance RTh (Thévenin's resistance) which is measured between open terminals of the network.

--59.93.69.206 15:14, 5 February 2008 (UTC)