50
LIFE MOVEMENTS IN PLANTS
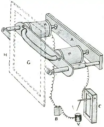
The Oscillator is diagrammatically shown in Fig. 15.

Fig. 15. The Oscillator. Electromagnet M, M′, periodically magnetized by completion of electric current by clockwork C. Periodic attraction of soft iron armature A moves attached glass plate G to left, making thereby electric contact with writer.
M, M′ are the two electromagnetic coils, the free ends of the horseshoe being pointed. Facing them are the conical holes of the soft iron armature A. This armature carries two rods which slide through hollow tubes. The distal ends of the rods support the holder H, carrying the smoked glass plate. Under normal conditions, the plate-holder is held by suitable springs, somewhat to the right of, and free from contact with, the writer. A clockwork C carries a rotating arm, which makes periodic contact with a pool of mercury contained in the vessel V, once in a minute. On the completion of the electromagnetic circuit, the armature A is attracted, the recording glass plate being thereby moved to the left making contact with