This chapter describes the mechanical requirements and definitions for a multipurpose AC-battery pack.
Requirements:
The mechanical construction has to fulfill the following requirements:
- All the accumulator packs have the same defined length and width. They shall be useable in e-Bikes as well as in electric vehicles.
- There are three variants in height.
- All sizes shall fit on the same holder and connector.
- They shall have a carry / fix / release handle with comfortable diameter and sufficient space for the fingers.
- The accumulator packs shall have small wheels at the connector side to ease insertion.
- The ground plane common to all sizes has to be flat and support heat sinking.
- The weight shall not exceed the weight of a six pack of coke bottles (12Kg).
- The accumulator packs shall withstand rain
Specification:
Dimensions:
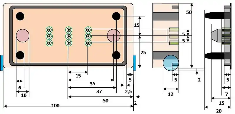
All battery packs shall have an overall length of 360mm without the handle.

All battery packs shall have an overall with of 100mm exclusive the handle arms and fixation and w with of 105mm inclusive the handle arms and fixation.
The fixation and the insertio wheels shall have a with of 2mm on each side.
A tongue and grouve ring is used to make the connection side waterproof.
The connector side is symmetrically.
There are three sizes of AC batteries: small (50mm), medium (100mm) and large (200mm).



Connectors:
For power connection there are two female ring contacts inside with a diameter of 10mm. They shall have the ability to carry up to 300A continuous current and insulation for 3000V. For control connection, there are 3x3 female connectors inside. type: "PHOENIX CONTACT - 1792760 - PLUG, FREE, 5.08MM, 3WAY" (better suggestions welcome). Current rating: >0,1A, insultion voltage: 3000V.

Connection right side: Power pole MINUS if positive voltage is requested.
Upper pin : RX data from control unit (or previous battery pack)
Intermediate pin: Signal ground for RX data and marker
Lower pin: Input Marker from control unit (or previous battery pack)
Connection left side: Power pole PLUS if positive voltage is requested.
Upper pin : TX data to next battery pack (or control unit)
Intermediate pin: Signal ground for TX data and marker
Lower pin: Output Marker to next battery pack (or control unit)
Connection in the middle:
Upper pin : Input command signal from control unit
Intermediate pin: Signal ground for trigger and command signal
Lower pin: Input trigger signal from control unit