< Circuit Theory < Convolution Integral < Examples

2R 1L 1C circuit to solve using the convolution integral .. for wikibook circuit analysis
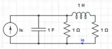
Given that is = 1 + cos(t), find io using the convolution integral.
Outline:
Transfer Function
simplify(1/((s+1)*(s + 1 + 1/(s+1))))
Homogeneous Solution
Setting the denominator to zero and find the values of s:
solve(s^2 + 2*s + 2)
This means the solution has the form:
Particular Solution
After a long time the cap opens and the inductor shorts. The current is split between the two resistors. Each will get 1/2 of the unit step function source which would be 1/2 amp:
Initial Conditions
The particular solution still has to apply so at t= ∞:
Initially the current has to be zero in this leg so:
The initial voltage across the cap is zero, and across the leg is zero and across the inductor is zero. So:
f := 1/2 + exp(-t)*((-1/2)*cos(t) + B*sin(t));
g = diff(f,t)
So now:
Impulse Response
Taking the derivative of the above
f := 1/2*(1-exp(-t)*(cos(t) + sin(t)));
g = diff(f,t)
get:
Convolution Integral
f := exp(x-t)*sin(t-x)*(1 + cos(x));
S =int(f,x=0..t);
This article is issued from Wikibooks. The text is licensed under Creative Commons - Attribution - Sharealike. Additional terms may apply for the media files.